| zurück | |||||||||
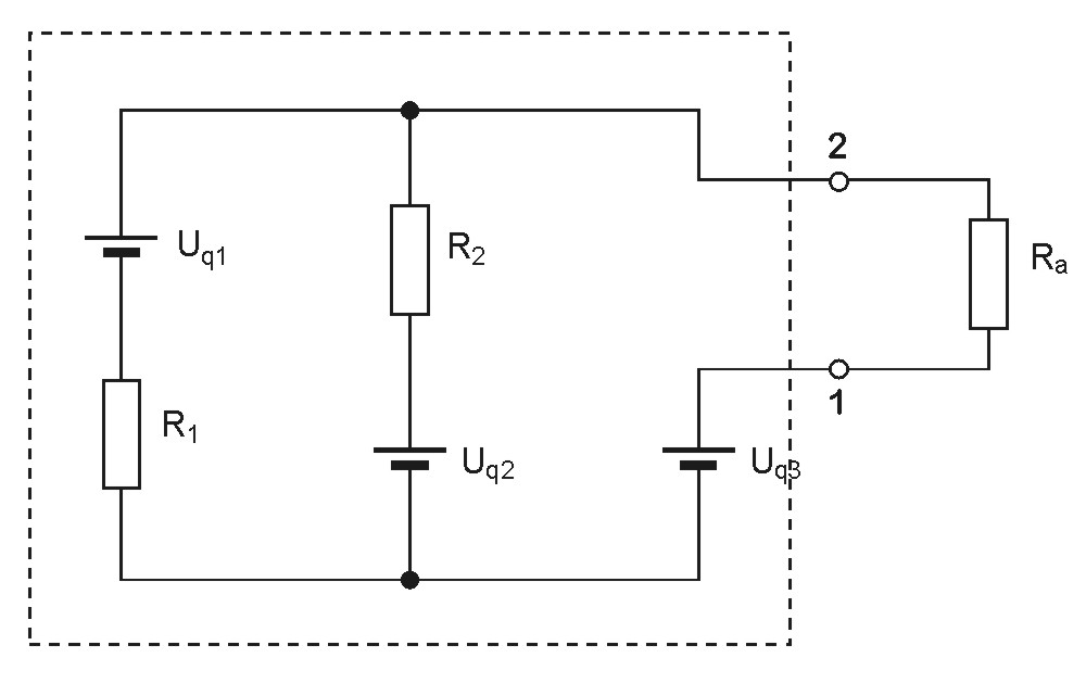
| A1: | Gegeben
ist die Schaltung in Bild 1 mit: R1 = 3 Ω, R2 = 6 Ω, Uq1 = 12 V, Uq2 = 24 V, Uq3 = 72 V (Ra variabel). Ermitteln Sie die Kennwerte Uqers und Riers der Ersatzspannungsquelle! |
![]() |
|||||||
| A2: | Eine 120 V - Lampe eines Projektors mit einer Stromstärke von I = 3,5 A soll an die Spannung von 230 V angeschlossen werden. Hierzu ist ein Vorschaltwiderstand aus Konstantan-Draht (x20 = 2 m/(W mm2) zu wickeln. Wie groß ist der Vorschaltwiderstand und wie viel Draht von 1mm Durchmesser ist hierzu erforderlich? | ||||||||
| A3: | Eine
9 V - Batterie gibt im Leerlauf die Spannung von 9,3 V ab. Bei Kurzschluss
entsteht ein Strom von IK = 2,9 A. Wie groß ist der Innenwiderstand und auf welche Laststromstärke ist zu begrenzen, wenn die Klemmenspannung bei Belastung um höchstens 0,8 V zurückgehen darf ? (rechnerisch / grafisch) |
||||||||
| A4: | Ein Widerstand ist an 24 V angeschlossen. Sein verstellbarer Abgriff teilt den Gesamtwiderstand von 10 kΩ in die Teilwiderstände R1 und R2. Berechnen Sie die Ausgangsspannungen U21 bis U25 für die Abgriffstellungen R21 = 0 Ω, R22 = 2,5 kΩ, R23 = 5 kΩ, R24 = 7,5 kΩ, R25 = 10 kΩ und stellen Sie die Abhängigkeit der Ausgangsspannung von der Abgriffstellung grafisch dar ! | ||||||||
| A5: | Die
Klemmenspannung einer Spannungsquelle UL beträgt bei Belastung
mit I1 = 40 mA --> UL = 6 V und bei I2 = 60 mA --> UL = 4 V! Berechnen Sie die Leerlaufspannung Uq, den Kurzschluss-Strom IK, den Innenwiderstand Ri sowie die Belastungswiderstände R1 und R2 und stellen Sie die Belastungskennlinie des aktiven Zweipols sowie die Kennlinien der Belastungswiderstände R1 und R2 grafisch dar ! |
||||||||
| A6: | Ein
Widerstand von 16 kΩ mit verstellbarem Abgriff ist an 48 V
angeschlossen und mit 4 kΩ belastet. Berechnen Sie die
Ausgangsspannung für die Abgriffstellung R2 = 0 Ω, R2 =
4 kΩ, R2 = 8 kΩ, R2 = 12 kΩ, R2
= 16 kΩ und stellen Sie die Abhängigkeit der Ausgangsspannung von
der Abgriffstellung grafisch dar ! Ergänzen Sie die Grafik durch die Kennlinie für den unbelasteten Ausgang ! Wo ist die Ausgangsspannung am meisten abhängig? |
||||||||
| A7: | Bei
einem Spannungsteiler für Uq = 11,65 V, UL = 4,4 V, RL
= 220 Ω
sollen sich die Ströme Iq zu IL wie 10 zu 1 verhalten.
Berechnen Sie R1, R2 und die Lastspannungsänderung
wenn RL auf 140 Ω
absinkt! Um die Versorgungsspannung zu entlasten und die Wärmeentwicklung zu verringern, wird der Spannungs- teiler auf das Verhältnis Iq / IL = 2 geändert. Berechnen Sie R1, R2 und die Lastspannungsänderung wenn RL auf 140 Ω absinkt! |
||||||||
| A8: | Mit
einem Spannungsmesser mit einem Innenwiderstand von 1 MΩ wird an
einer Spannungsteiler-Schaltung R1 = 800 kΩ und R2
= 200 kΩ die Spannung U2 = 12 V gemessen. Wie groß ist die Spannung U20 ohne angeschlossenen Spannungsmesser und wie groß ist der prozentuale Linearitätsfehler? |
||||||||
| zurück | |||||||||
| Lösungen: | |||||||||