| zurück | ||||||||
| A1: | ||||||||
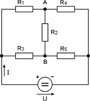
| Welchen
Betrag und welche Richtung hat die Spannung UAB in der
Brückenschaltung (Bild), wenn folgende Werte bekannt sind:
U = 24 V, R1 = 870 Ω, R2 = 1,2 kΩ, R3 = 1,1 kΩ, R4 = 2,2 kΩ |
||||||||
|
Berechnen Sie die Widerstände R3 und R4, wenn I2 auf 2 mA begrenzt und |
||||||||
| a) | die Potentialdifferenz UAB erhalten bleibt (wie zuvor) | |||||||
| b) | ein 100%iger Abgleich zustande kommen soll (UAB = 0) | |||||||
| A2: | ||||||||
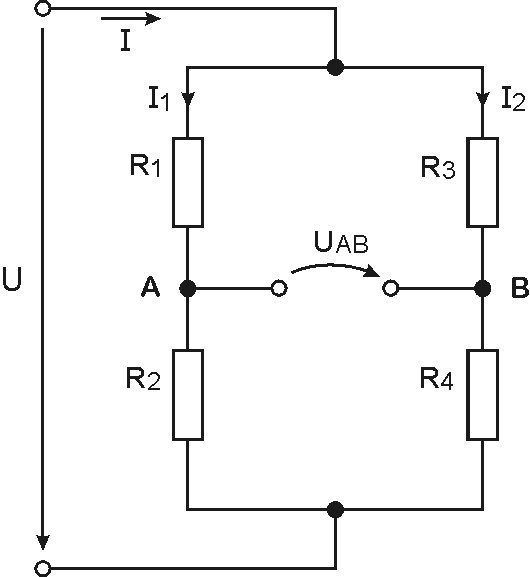
| Wie
ändert sich die Spannung UAB in der Brückenschaltung (Bild),
wenn das Potentiometer R3 von Stellung I nach Stellung II verändert wird? Bekannt sind: |
![]() |
|||||||
|
U = 24 V, R1 = 800 Ω, R2 = 1,6 kΩ, R3 = 4 kΩ, R4 = 2,4 kΩ |
||||||||
|
Berechnen Sie den am Potentiometer eingestellten Widerstand R3, wenn die
Potentialdifferenz UAB = 3 V gemessen wird! |
||||||||
| A3: | ||||||||
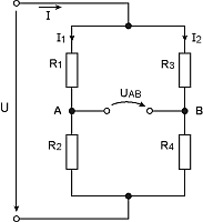
| Wie lässt sich die Spannung UAB in der Brückenschaltung (Bild) durch Verstellen des Potentiometers R2 von Stellung I nach Stellung II verändern? Bekannt sind: | ![]() |
|||||||
|
U = 15 V, R1 = 100 kΩ, R2 = 47 kΩ, R3 = 47 kΩ, R4 = 91 kΩ |
||||||||
| A4: | ||||||||
| Wie lässt sich die Spannung UAB in der Brückenschaltung (Bild) durch Verändern des Potentiometers R4 von Stellung I nach Stellung II variieren? Bekannt sind: | ![]() |
|||||||
|
U = 50 V, R1 = 5,6 kΩ, R2 = 4,7 kΩ, R3 = 8,2 kΩ, R4 = 10 kΩ, R5 = 1,8 kΩ |
||||||||
| A5: | ||||||||
| Für die nicht abgeglichene Brücke mit der Spannung von U = 20 V sind zu berechnen: | ![]() |
|||||||
| a) | der Strom I5 durch den Widerstand R5 nach Betrag und Richtung | |||||||
| b) | die Spannung UAB nach Betrag und Richtung | |||||||
| Bekannt sind: U = 15 V, R1 = 33 kΩ, R2 = 47 kΩ, R3 = 18 kΩ, R4 = 39 kΩ, R5 = 10 kΩ | ||||||||
|
A6: |
||||||||
| Berechnen Sie den Ersatzwiderstand (Schaltung wie A5) mit: | ||||||||
| R1 = 16 Ω, R2 = 48 Ω, R3 = 9 Ω, R4 = 27 Ω, R5 = 42 Ω! | ||||||||
| A7: | ![]() |
|||||||
| Eine nicht abgeglichene Brücke besteht aus den Widerständen: | ||||||||
| R1 = 2 kΩ, R2 = 5 kΩ, R3 = 3 kΩ, R4 = 5 kΩ, R5 = 2,5 kΩ! | ||||||||
| Die Spannung an der Brücke beträgt U = 10 V. | ||||||||
| a) | Wie groß ist der Ersatzwiderstand Rers der Schaltung? | |||||||
| b) | Welchen Betrag und welche Richtung hat die Spannung UAB? | |||||||
| c) | Welcher Querstrom fließt in R2 ? | |||||||
|
|
||||||||
| Lösungen: | ||||||||
| A1: |
a) |
UAB = -2,087 V --> entgegengesetzt gerichtet : UBA = 2,087 V |
||||||
| b) | R3 = 4 kΩ, R4 = 8 kΩ | |||||||
| c) | R3 = 5,043 kΩ, R4 = 6,957 kΩ | |||||||
| A2: | Pos I : UAB = 7V, Pos II : UAB = -8 V | |||||||
| UAB = 3 V : --> R3 = 2030,77 Ω | ||||||||
| A3: | + 5,0954 V <= UAB <= + 9,8913 V | |||||||
| A4: | - 18,32 V <= UAB <= + 6,6845 V | |||||||
| A5: | Dreieck-Stern-Transformation der Widerstände z.B. R1, R3, R5 | |||||||
| I5 = - 46,3 µA | UAB = - 463 mV | |||||||
| A6: | Dreieck-Stern-Transformation der Widerstände z.B. R1, R3, R5 | |||||||
| Rers = 23 Ω | ||||||||
| A7: | Dreieck-Stern-Transformation der Widerstände z.B. R1, R2, R3 | |||||||
|
a) |
Rers = 3 kΩ |
|||||||
|
b) |
UAB = 1,67 V |
|||||||
|
c) |
I2 = 0,334 mA bzw. I2 = 334 µA |
|||||||
| zurück | ||||||||